201,304,316
類型:絲扣閥門
產品簡介:
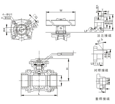
高平臺球閥和法蘭閘閥是同屬一個類型的閥門,區別在它的關閉件是個球體,球體繞閥體中心線作旋轉來達到開啟、關閉的一種閥門。 球閥在管路中主要用來做切斷、分配和改變介質的流動方向。二片式球閥,三片式球閥,是被廣泛采用的一種新型閥門 。
1、流體阻力小,其阻力系數與同長度的管段相等。
2、結構簡單、體積小、重量輕。
3、緊密可靠,球閥的密封面材料廣泛使用塑料、密封性好,在真空系統中也已廣泛使用。
4、操作方便,開閉迅速,從全開到全關只要旋轉90°,便于遠距離的控制。
5、維修方便,球閥結構簡單,密封圈一般都是活動的,拆卸更換都比較方便。
6、在全開或全閉時,球體和閥座的密封面與介質隔離,介質通過時,不會引起閥門密封面的侵蝕。
7、適用范圍廣,通徑從小到幾毫米,大到幾米,從高真空 高壓力都可應用。 球旋轉90度時,在進、出口處應全部呈現球面,從而截斷流動。
高平臺球閥是一種比較新型的球閥類別,它有著自身結構所 的一些,如開關無摩擦,密封不易磨損,啟閉力矩小。這樣可減小所配執行器的規格。再配以多回轉電動執行機構,可實現對介質的調節和嚴密切斷。廣泛適用于石油、化工、城市給排水等要求嚴格切斷的工況。
| 名稱 | 型號 | 材質 | 連接形式 | 產地 | 適用介質 | 壓力壞境 | 工作溫度 | 規格 |
| 304三片式高平臺球閥 | 304 | 不銹鋼 | 螺紋 | 溫州 | 弱酸堿介質 | 常壓 | 常溫 | DN15 |
| DN20 | ||||||||
| DN25 | ||||||||
| DN32 | ||||||||
| DN40 | ||||||||
| DN50 | ||||||||
| DN65 | ||||||||
| DN80 | ||||||||
| DN100 |



微信號:15958758592